image description
image description

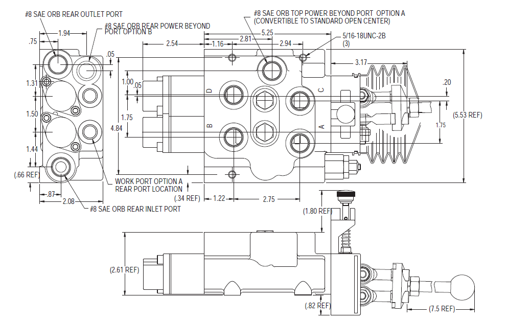
LVS Series – 11 GPM

Model LVS Series Loader Valve - 11 GPM

Find A Distributor

Standard Features:

  • Economical monoblock construction of high tensile strength gray cast iron.
  • Load check on each spool
  • Hard Chrome Plated Spools
  • No face seals on spools
  • Adjustable cartridge relief
  • Power beyond available
  • 4 Position Series Float Spool for loader boom
  • 4 Position Regen Spool for loader bucket
  • Molded rubber boot
  • Patented dual spool lock joystick available
  • Cable Control available
  • See Catalog Pages pdf for complete details and options.
SPECIFICATIONS
  • Pressure Rating
  • Maximum Operating Pressure ........ 3000 psi
  • Nominal Flow Rating ...........................11 GPM
  • Filtration: For general purpose valves, fluid
  • cleanliness should meet the ISO 4406 19/17/14
  • level. For extended life or for pilot operated valves,
  • the 18/16/13 fluid cleanliness level is recommended.
  • Maximum Operating Temp...........................180°F
  • Weight .................................... Approx 18.5 Ibs
image description