image description
image description

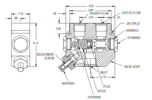
Model RD500

Model RD500 Adjustable Flow Divider Valve - 30 GPM

Find A Distributor

Standard Features:

  • Pressure Rating
  • Maximum Operating Pressure ........ 3000 psi
  • Flow Rating .....................................30 GPM
  • Filtration: For general purpose valves, fluid
  • cleanliness should meet the ISO 4406 19/17/14
  • level
  • Maximum Operating Temp................180°F
  • Weight .................................... Approx 7 Ibs
FUNCTION

The PRINCE model RD-500 is an adjustable constant volume priority divider. This valve provides the same function as the PRINCE model RD-400 except the priority flow is adjustable from 2 GPM to 12 GPM. The priority flow is set using the adjusting screw and is then locked in place to maintain setting. This allows setting to be fine tuned in the field to the exact flow needed.

image description