image description
image description

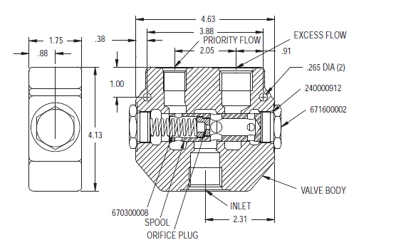
Model RD400

Model RD-400 Fixed Flow Priority Divider - 30 GPM

Find A Distributor

Standard Features:

  • Pressure Rating
  • Maximum Operating Pressure ........ 3000 psi
  • Flow Rating .....................................30 GPM
  • Filtration: For general purpose valves, fluid
  • cleanliness should meet the ISO 4406 19/17/14
  • level
  • Maximum Operating Temp................180°F
  • Weight .................................... Approx 7 Ibs
FUNCTION

The PRINCE model RD-400 is a constant volume priority divider. It can be used in applications where two circuits are to be supplied by a single pump such as power steering systems. In operation the flow of oil supplied to the inlet is divided into two flows, the priority flow and the excess flow. The priority flow will remain nearly constant with variations in pressure on either the priority or excess flow port and will also remain nearly constant with variations in the inlet flow. The priority flow GPM is determined by a fixed orifice inside the main spool. The desired priority GPM must be specified with model number, see below. The PRINCE model RD-400R provides the same function as described above with the addition of a built in pressure relief for the priority port only. This relief is internally adjustable and requires a separate line to tank. The relief is factory set at 1500 PSI.

image description