image description
image description

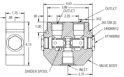
Model RD200

Model RD-200 Proportional Divider Valve - 30 GPM

Find A Distributor

Standard Features:

  • Pressure Rating
  • Maximum Operating Pressure ........ 3000 psi
  • Flow Rating .....................................30 GPM
  • Filtration: For general purpose valves, fluid
  • cleanliness should meet the ISO 4406 19/17/14
  • level
  • Maximum Operating Temp................180°F
  • Weight .................................... Approx 7 Ibs
FUNCTION

The PRINCE model RD-200 valve is a pressure compensated proportional flow divider. The standard models of this valve will take one inlet flow and split it into two nearly equal outlet flows. The valve is also available with special ratio spools which will split the flow into two flows proportional to the ratio specified. Because the valve is pressure compensated the valve will maintain the divider ratio with quite different loads on the outlet ports as long as the inlet flow is within the range given in the chart below. Flow through the RD-200 cannot be reversed.

image description