image description
image description

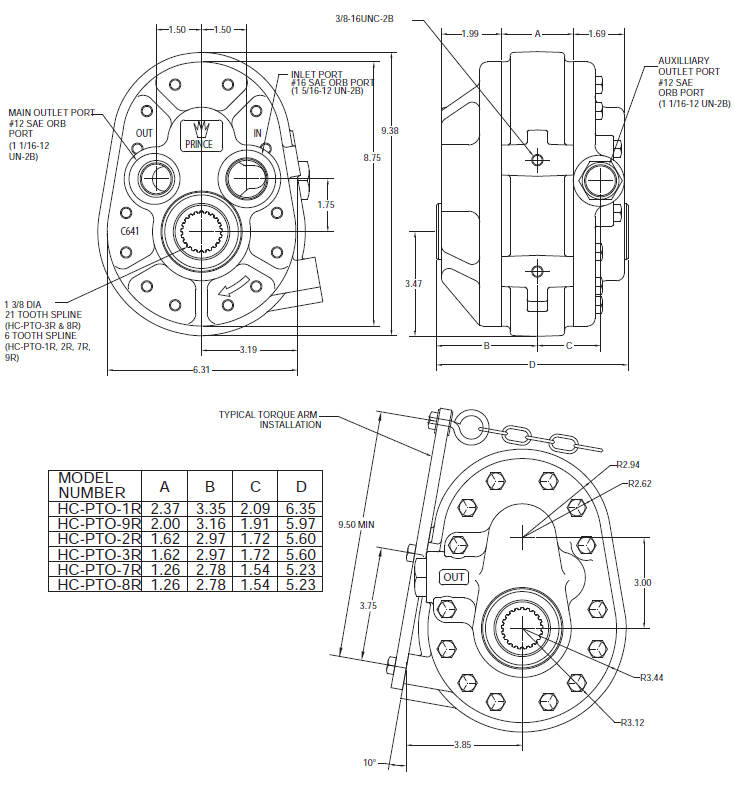
PTO Castiron Rear Port

PTO Hydraulic Pump (Cast Iron Housing) Rear Ported

Find A Distributor

Standard Features:

  • High duty cycle
  • Use in circuits with motors
  • Better at higher temperatures
  • Increased wear resistance
  • Internally splined 1 3/8" diameter drive shaft, 6 tooth or 21 tooth
  • Up to 40 gallons a minute
  • 2250 PSI Max operating pressure
  • Slips onto tractor PTO shaft (no gear box required)
image description