image description
image description

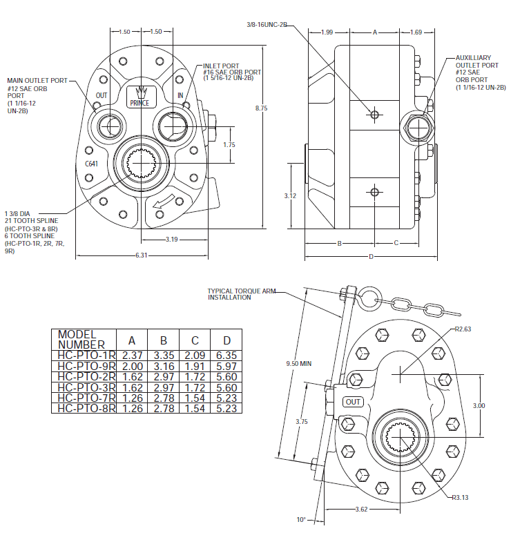
PTO Castiron

PTO Hydraulic Pump (Aluminum Housing) Rear Ported

Find A Distributor

Standard Features:

  • Standard duty cycle
  • Reduced weight
  • Optional shaft configurations
  • Smaller Housing
  • Internally splined 1 3/8" diameter drive shaft, 6 tooth or 21 tooth
  • Up to 40 gallons a minute
  • 2250 PSI Max operating pressure
  • Slips onto tractor PTO shaft (no gear box required)
image description